Products
HOME> Products
GGJ Low intentione deducto Switchgear
  • GGJ Low intentione deducto SwitchgearGGJ Low intentione deducto Switchgear

GGJ Low intentione deducto Switchgear

GGJ Low Voltage Compositum Switchgear evolvit ab Welcome (Wenzhou) Electric Co, Ltd., opificem professionalem in Sinis, delineatum computatorium adiutum consilium et technologiae microcomputer integratae potestate technologiae intelligenter indagare et reactivum potentiam compensare. Iactatio rationalis structurae ac technologiae maturae, late patet in grisiis vis humilitatis intentionis.

Cum fabrica professionalis in Sinis, Comewill officinas qualitatem  GGJ Low intentione Coniunctio Switchgear tibi praebere vellet, quae factorem potentiae efficaciter boosts, potentiam reactivam damnum minuit, et potentiae copiam qualitatem auget. Ab intelligente moderatore moderatus, plenam functionem et certas operationes offert latis compensatio, quae ad factorem potentiae levandum supra 0.9.

GGJ Low Voltage Compositum Switchgear praebet realem tempus ostentationem factoris potentiae craticulae, tegens utrumque pigri (0.00-0.99) et iugis (0.00-0.99) ducens. Venit instructus munimentis comprehensivis munimentis contra intentionem, harmonicam nimiam, compensationem, vitia systematis, damnum, fasciculum, oneris, et plura. ambitum etiam in potestate outages posuit retinet, automatice operationem resumens semel emissarium stabilit — nullas personas in situ requiruntur.

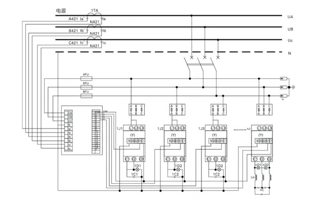
Substructio in eget onus statera, GGJ Low intentione deducto Switchgear sustinet periodum per-phase excambium vel mixtum modos recompensationis. Cum valida anti-incessione capacitatis, amplitudine impedimenti 2000V resistit pulsus directe a eget, signa industriae nationalis excedens. Singulis horis, machinae mensurae et monumenta tria phase voltage, current, frequentia, potentia activa, potentia reactiva, potentia factor, vis activa, industria reactiva ad latus transfigurantis humili voltage, necnon totali voltage/currentis rates distorsionis et 2 ad 25th harmonica contenta. Instructus RS-232 et RS-485 interfaces, dat transcriptionem per manus computers comprehensas.

Per communicationem remotam wireless metrorum legendi, machinae probationis, figurae moduli, accessum ad tempus reale ac notata notata consequitur. Eius munus in analysi aedificatum subsidia processus, statistica et interrogationes datorum oneris perficiendi. Comprehendens aestimat potentiam copiam qualitatem, computando intentionem simpliciter, rate onus, firmitas rate, et maximum onus rate. Users potentiam factorem, potentiam activam et potentiam reactivam in diversis temporibus aetatibus inhibere possunt, curvas generare pro intentione, voltage, currente, factore potentiae, etc., ac analysin comprehensivam et statisticam tradit.

Exeat signa

IEC439: 《 Low-voltage Switchgear et imperium apparatu》
GB7251: 《 Low-voltage Switchgear》

Typus descriptio

Normalis servitium conditio

1. Temperatus aëris ambiens non debet supra +40℃ vel infra -5℃ ire, et horarum 24 horarum temperatura mediocris +35℃ excedere non potest. Si hi limites temperatus transierint, opus est facultatem machinae operandi in actualibus conditionibus deponere.
2.This GGJ Low Voltage Combination Switchgear ordinatur ad solum usum indoor, et institutionem situs altitudinis 2000 metra superare non debet.
3. Cum maxima caliditas +40℃ hits, humiditas relativa aeris ambientium sub 50 manere debet. In inferioribus temperaturis, superior humiditas accepta est-exempli gratia: 90% ad +20℃. Rationem quoque debes interdum condensationis esse quae ex ambigua temperatura formare posset.
4. Durante institutione, cogitatio inclinatio e plano verticali non plus quam 5° esse potest, et totus ordo scrinium respective planus esse debet. Gravis est machinam instituere in locatione gravi vibrationis et impulsu liberae, ubi components electrica corrosioni obnoxia non erunt.

Arca latitudinis (A) Scrinium profundum (B). Adscendens foramen spatiorum (a) Adscendens foramen spatio (b)
800 500 685 385
600 800 485 685
600 1000 485 885
800 800 685 685
800 1000 685 885
1000 800 885 685
1000 1000 885 885
Item Morbi laoreet
Rated lnsulation Voltage (V) 660
Rated Voltage Operating (V) 380/660
Auxiliaris Circuitu Rated Voltage (V) AC 220/380
DC 110/220
Operating Frequency (Hz) 50- 60
Ratum current(A) Horizontalis Bus-bar <3150
Vertical Bus-bar 630/800
Rated breve tempus sustinere Current Medius (kA/1 s) 50
Bus-bar (kA/1 s) 30
Rated Pecco vena (kA/0.1 s) 105/50
Munus Unit Capacity Breaking (ka) 50 (valorem efficacem);
Arca Praesidium Degree IP40
Bus-bar Tres tempus quattuor systema filum, tres phase quinque systematis filum
Modus operating In-site, procul et automatic

Fortitudo

1.Pro procurationis considerationibus: De GGJ Low intentione deducto Switchgear ab Welcome (Wenzhou) Electric Co, Ltd. venit cum multiplicibus foraminibus evacuatione ad summum et imum scrinium. Hoc consilium naturale solum-ad-summum airflow in medio arcae obsignatae efficit, efficaciter loquens dissipationem caloris ad certam operationem provocat.
2. Instrumentum switchgear ostium, instructum cum componentibus electricis — et partes inscensiones internae in ambitu tutelae solidae efficiunt, ut constantem rationem continuum omni tempore praebeant.
3. Nos collocare busbars principales in tergo scrinii superiores, cum AMJ-type fibulae busbaricae fabricatae e materia alta polyester DMC/SMC. Hae fibulae eximiis vi mechanica et insulis effectibus liberant, dum arcae tectae amovibiles obumbrantes simplices conventus situs ac commensuratio praecipuorum busbarum.
4. Arcae notae electrostaticae pulveris efficiunt pro adhaesione valida, et omnia interna galvanizationem et curationes passivationes subeunt. Hoc auget facultatem switchgear's "tres-probationis": humorem resistentiam, resistentiam pulveris, resistentiam corrosionis, vitam suam in variis ambitibus extendens.
5. Ad diversum consilium aptandum necessitates, GGJ Low Voltage Compositum Switchgear sustinet multiplicem funem ingressu optionum-top ingressu, fundum ingressu, et postico ingressu, oblationem flexibilem institutionem procurationis incepta.

Instructiones iussis

Praecipua circuli tabula;
◇ Compensatio capacitatis et recompensationis methodi;
Si non congruat condicionibus operandi normalibus producti, in antecessum specificetur.


Hot Tags: GGJ Low intentione deducto Switchgear, China, Manufacturer, Supplier, Factory, Lupum, Lorem, In Stock, In Sinis, Minimum Price, Quality
Mitte Inquisitionem
Contactus info
Mitte inquisitionem de Comewill de switchgear, praevaricatores ambitus vacuos, commutator currentis. Mores adepto quotes, low prices or expert support from our China officinas manipulus.
X
Crusulis utimur ut meliorem experientiam pasco tibi praebeamus, situm negotiationis et personalize contentus analyse. Hoc situ utendo, ad nostrum crustulorum usum consentis. Privacy Policy
Reject Accipe