Products
HOME> Products
LMZW9-0.66 Current Transformer
  • LMZW9-0.66 Current TransformerLMZW9-0.66 Current Transformer
  • LMZW9-0.66 Current TransformerLMZW9-0.66 Current Transformer

LMZW9-0.66 Current Transformer

Emo summus qualitas LMZW9-0.66 Transformator Current e fabrica Comewill Sinensium. Hic transformer specialiter designatus 50Hz AC circuitus in 0.66kV aestimavit et infra, occurrens criticae requisita pro certa currenti vigilantia et industria metrorum in partes industriae et aedificationis distribuendae. Adhibendis resinae insaturatae processus mittentes, unitates notat robustam structuram cum optimo humore resistentia et stabilitate scelerisque, efficaciter reducendo sumptibus sustentationem per totam vitam suam.
Cum fabrica armorum potentiae professionalis in Sinis, Comewill stricte adhaeret vexillo IEC 61869, stabilis et certa observantia LMZW9-0.66 procurans Transformem Currentem. Consilium fixum-montis simplificat in-site wiring, inconsutilemque integrationem in variis systematibus humili intentione distribuendis praebens, sive ad upgrades sive novas inceptas constructiones.

Parameter technical LMZW-0,66 commutator currentis:

Rated Frequency 50/60Hz
Rated voltage 0.6kV vel 0.66 kV
Summa intentione pro apparatu 0.72kV
Potestas frequentiae sustinere voltage 3kV
Technical vexillum secundum IEC60044-1:2003 vel IEEE STD C57.13-2008
Type Rated prima vena (A) Ratum output VA(cosФ=0.8lag)
0.2S 0.2 0.5S 0.5 1
LMZ-0.66 75-100 10-3.75 10-3.75 10-3.75 10-3.7510-3.75 10-3.75
LMZ-0.66 150-300 10-3.75 10-3.75 10-3.75 10-3.75 10-3.75
LMZ-0.66 400-750 10-3.75 10-3.75 10-3.75 10-3.75 10-3.75
LMZ-0.66 1000-1500 10-3.75 10-3.75 10-3.75 10-3.75 10-3.75


Product Features

1. Stabilis euismod

Comewill officinas LMZW9-0.66 Current Transformer obtemperat IEC 61869, IEC60044-1, et signa IEEE C57.13

Mensuratiosa currentis mensurae per amplis curriculis primariis (75-1500A)

Ratum output of 10-3.75 VA (cosφ=0.8 lag) dat constantem signum ad metering et tutelam


2. Fixum-Montis Indoor Design

Simplifies wiring and integration into low-voltage switchgear and panels

Reduces institutionem errores et sustentationem requisita

Consilium pacti maximizes usus tabulae spatium


Lata 3. Operational dolor

Temperatus operans: -25℃ ad +55℃

Humiditas relativa: ≤90%, nulla condensatio

Altitude: ≤1000 metris supra planum mare

Scelerisque libero, pulvinar libero, ac malesuada felis libero amet mauris


4. Maximum Salutis & Obsequium

Potentia frequentiae intentione resistendi: 3kV

Ratum intentione: 0.6-0.66kV, maximo apparatu voltage of 0.72kV

Disposito diu-terminus operatio tuta in humili intentione distributionis retiacula


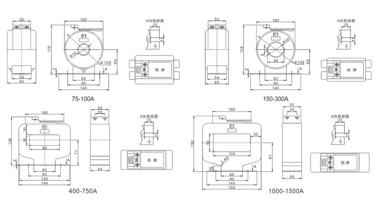
Adumbratim & instruitur Dimensiones

Grata (Wenzhou) Electric Co., Ltd


FAQ


Q1: tune es fabrica vel negotiatione turba?

A1: Nos officinas sumus, quae nobis ipsa pretia competitive pretia directe offerre sinit.


Q2: Quod est opus tuum qualitas processus imperium?

A2: Omnes products ad inspectionem C% ante amet.


Q3: Quando pretium quote sperem?

A3: Nos typice praebemus prolationem intra 24 horas post inquisitionem tuam acceptam.


Q4: Quomodo exemplum accipere possum?

A4: Exemplum emere potes, quod exemplum sumptus et naviculas feodas complectetur. Accusatio expressa traditio pendet a quantitate et pondere exemplorum.


Q5: Quid sunt naves gratuita?

A5: Shipping costs variare secundum locum desideratum portum.


Hot Tags: LMZW9-0.66 Current Transformer, Sina, Manufacturer, Supplier, Factory, Lupum, Lorem, In Stock, In Sinis, Minimum Price, Quality
Mitte Inquisitionem
Contactus info
Mitte inquisitionem de Comewill de switchgear, praevaricatores ambitus vacuos, commutator currentis. Mores adepto quotes, low prices or expert support from our China officinas manipulus.
X
Crusulis utimur ut meliorem experientiam pasco tibi praebeamus, situm negotiationis et personalize contentus analyse. Hoc situ utendo, ad nostrum crustulorum usum consentis. Privacy Policy
Reject Accipe